工业温控 就找中能

十几年专注工业温度控制一站式解决方案

咨询热线18673178386

扫一扫加微信

联系我们

邮箱:shudandan@znwkw.com
咨询热线:18673178386
研发中心:湖南省长沙市长沙县长桥路国顺科技园西侧约50米
运营中心:湖南省长沙市长沙县德普企业公元3A栋二楼 在线咨询

常见问题

模具温度控制模温机工作原理

发布日期:2022-11-18 10:13 浏览次数:

工作原理简单来说就是恒温,控温,维持热平衡,通过内部加热和冷却功能,对温度进行智能调节,让用热机器和模具温度合适。

模温机是用来调节模具温度的平衡模具温度,可以升温也可以降温。模温机利用高热传导的导热媒体,以便在很短的时间内将模具进行升温控制。在设定好热平衡温度后,模温机能自动控制其温度在极小误差之内,且能维持定值。

150℃水循环模温机AHWH系列_副本.jpg

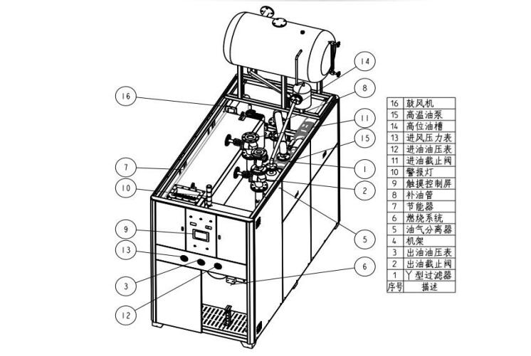
模温机内部结构:

模温机主要由加热模块、动力模块及其他模块组成;当启动模温机时,动力模块利用泵把水(或导热油)输送填充到管道和模具中,并通过传感器把流体温度和压力等数据传送至控制系统,让PLC程序对整机温度、压力、流速等进行调节,致使模具的温度契合产品生产需要。模温机自身也有冷却降温系统的,主要目的就是用来调节循环系统中流体的温度的,让工作温度恒定在设定值,确保模具温度正常。


QQ截图20221117152549.jpg

QQ截图20221118101223.jpg

模温机的作用:

模温机主要提供设定温度,让用热机器和模具温度合适;同时也具备降温功能,能快速让模具的温度降到适宜温度,出了能快速加热降温外,还能恒温维持设定的温度值。

比如在压铸工艺中,控制住模具温度,不会因为过热减少粘模,可持续温度恒定生产进行,同时可提高铸件尺寸精度及表面光洁度,防止铸件收缩而产裂纹,也可更好地生产复杂薄壁铸件。

在塑胶工艺中,产品成型中常见的缩水、歪曲、气泡、银纹、变形、皲裂、透明度不佳、表现不光滑瑕疵等不良现象,造成这一不良现象的最主要原因就是产品在未成型前模具摄氏度不稳定和成型过程中模具摄氏度达不到产品成型的摄氏度。模温机的使用就可以,提高塑胶工艺产品的成型效率,降低不良品的产生,提高产品的外观,抑制产品的缺陷,加快生产进度,降低能耗,节约能源。


以上模温机的知识你学会了吗?选择模温机适合自己的才是好的,要根据生产需求综合考虑,才能提高生产效率和产品品质,关于模温机的选购方面有什么问题的,可以向中能温控咨询。订购/咨询热线:19174151632

研发中心:湖南省长沙市长沙县长桥路国顺科技园西侧约50米
运营中心:湖南省长沙市长沙县德普企业公元3A栋二楼
备案号:湘ICP备2022022029号