中能温控燃气模温机实物图:


燃气模温机内部示意图:

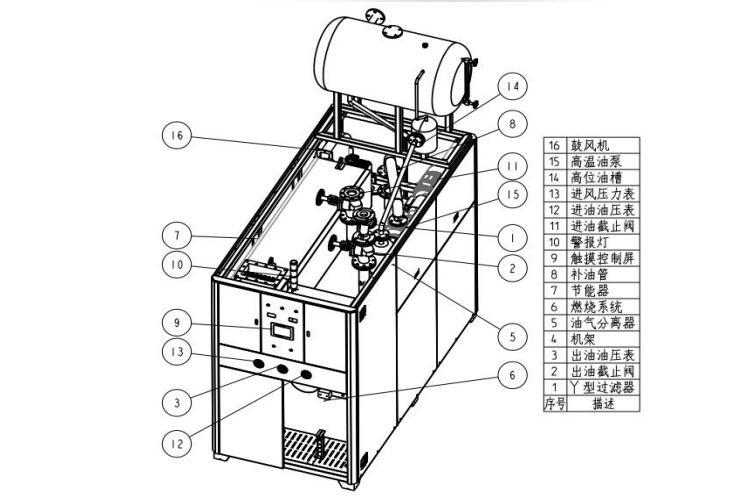
一、高位油槽专利技术设计:
导热油特性,是在超过 60 度温度环境下,与油槽空间氧气发生氧化现象,形成变质的沉淀物(俗称油泥)。普通膨胀油槽与导热油管道直接互通,在温升与温降的过程中,膨胀油槽中导热油与管道内导热油会发生互换,使导热油热温直接带到膨胀槽中,槽体空间温度超过 60 度,膨胀槽中导热油与槽体空间中的氧气发生高温反应,加速导热油变质形成油泥沉淀物。同时,在导热油互换过程中,沉淀物会带至导热油循环管内,影响设备使用。我司利用专利技术,设置高低位油槽的方案,将油槽温度有效的控制在 60 以下,防止导热油变质。
在模温机工作过程中,油槽中的油泥进入设备导热油循环系统,导致如下危害:
1、在燃气模温机设备加热过程中,油泥会附着于燃烧炉盘管管体表面,随着加热管温度上升,油泥会在加热盘管表面结焦,结焦物质热阻增加,造成燃烧炉热效能力不断衰减,同时焦化物也会使管道堵塞,阻碍导热油流动,降低设备热传导能力。此外,焦化的附属物质,被燃烧炉长时间加热,固化焦体与管体接触部分温度较大,会造成管道管壁会烧破,从而导致导热油溢出到设备内部,造成安全事故。

2、在电模温机设备加热过程中,油泥会附着于加热管表面,随着加热管温度上升,会在加热管表面结焦,使加热管表面温度不能及时有效地被导热油吸收,造成热传导效能减退,同时加热管会过热造成烧毁。此外,焦化的附属物质,被加热管长期高温加热,会发生气化现象,在气化过程中,会释放附属物体积指数倍的气体,从而使管道压力瞬间急速增加,使导热油从油槽的溢流口溢出,造成安全事故。

3、油泥在管道内循环时,会附着于用热设备管道内沉淀,使设备管道热阻增加,造成热使用设备温度不均匀,从而影响产品质量。
二、高效能及长寿命电加热管技术:
加热管作为电模温机的最核心部件,也是模温机质量问题中占比最大的部件,其质量的好坏直接决定着设备使用效果。目前电模温机的加热管是由金属管、发热体(钨丝等)及导热填充物(MgO)组成,MgO 是高效能热导物质,可以将发热体温度有效传导至金属管,向导热油管道释放热量。MgO 导热效能会随温度和时间而衰减,热阻增大,从而使发热体热量不能有效传导至导热油管道,造成加热管烧毁。MgO 的品质对加热管质量和寿命有着至关重要的作用,我司加热管产品内部填充的是进口品牌的MgO,加热管使用寿命是使用国产品 MgO 的 3-4 倍。