模温机漏油的地方一般是这3处:管路管道处漏油、法兰接口处漏油、油泵处漏油。
1、管路管道漏油可能是管道的焊接处理的不完好,某些位置的焊缝没有处理到位,使用时间一长,因为管道压力变化,所以从缝隙往外渗油。
怎么改善:先对渗油处的管道进行焊接探伤,重新焊接后进行压力测试,确认管道无漏点。
2、导热油在管路产生了积碳而没有及时清理,时间一长管道变得脆弱出现裂缝,从而导致渗油。
怎么改善:管道受损的程度进行处理,若情况较轻,清理管道的积碳,对部分管道替换重新烧焊即可,若情况严重,则需要将整段管道进行更换并焊接。
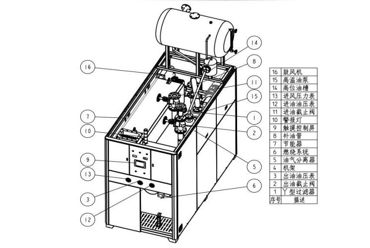
3、法兰接口是出现渗油情况较多的部位,法兰垫片和密封圈这类的配件有一定的使用寿命,长期工作没有进行检查更换会导致系统的密封性缺失而出现漏油。
怎么改善:对法兰垫片和密封圈进行更换并重新紧固。
4、轴封受损导致的高温高压油泵漏油,油泵内部出现问题导致漏油。
怎么改善:根据所使用的的品牌、功率,联系厂家购买同规格更高品质的轴封更换;若是油泵内部出现问题导致,那就需要将油泵进行维修、送修了,这部分需要专业的维修工程师进行。
这些设备问题小品牌时常发生,但选购一台大品牌厂家生产的模温机,如我们湖南中能温控,很多时候就会帮您减少很多麻烦,中能温控精选国外优质品牌配件,使用寿命长,泵浦轴封等配件易损率低,设备三五年一般不会出现什么故障问题,不用怎么维修。

以上模温机的知识你学会了吗?选择模温机适合自己的才是好的,要根据生产需求综合考虑,才能提高生产效率和产品品质,关于模温机的选购方面有什么问题的,可以向中能温控咨询。订购/咨询热线:19174151632